diy electric fence energizer
Help Can Someone Help Me Safely Install An Electric Fence Underwater X Post R Electricians R Diy
Zashita Paseki Ot Maroderstvuyushih Zhivotnyh I Lyudej
Amazon Com My Animal Command Solar Powered Electric Fence Charger 3 Mile 0 25 Joules 9 11kv Electric Fence Energizer Containment Protection Of Livestock Horses Cattle Sheep Pets Easy Installation Patio Lawn Garden
Diy Simple Fence Charger Youtube
Dog Electric Fence Chargers At Lowes Com
Pdf A Novel Electric Fence Energizer Design And Analysis
How To Make A Solar Fence Charger Circuit
Electric Fence Hotter More Powerful Design
Ignition Coil Driver Electric Fence Charger Circuit Diy Homemade 12v Youtube
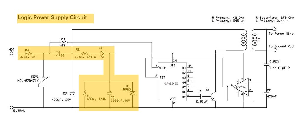
Reverse Engineering An Electric Fence Charger 11 Steps With Pictures Instructables
10 Best Electric Fence Chargers To Protect Your Livestock
How To Make A Solar Fence Charger Circuit
Simple Electric Fencing Circuit
Diy Solar Electric Fence For Pigs
High Power Electric Fence Transformer And Fencer
High Power Electric Fence Transformer And Fencer
Reverse Engineering An Electric Fence Charger 11 Steps With Pictures Instructables


